Největším problémem bylo sehnat právě ta tlačítka. Nakonec se podařilo a vznikla tato konstrukce.
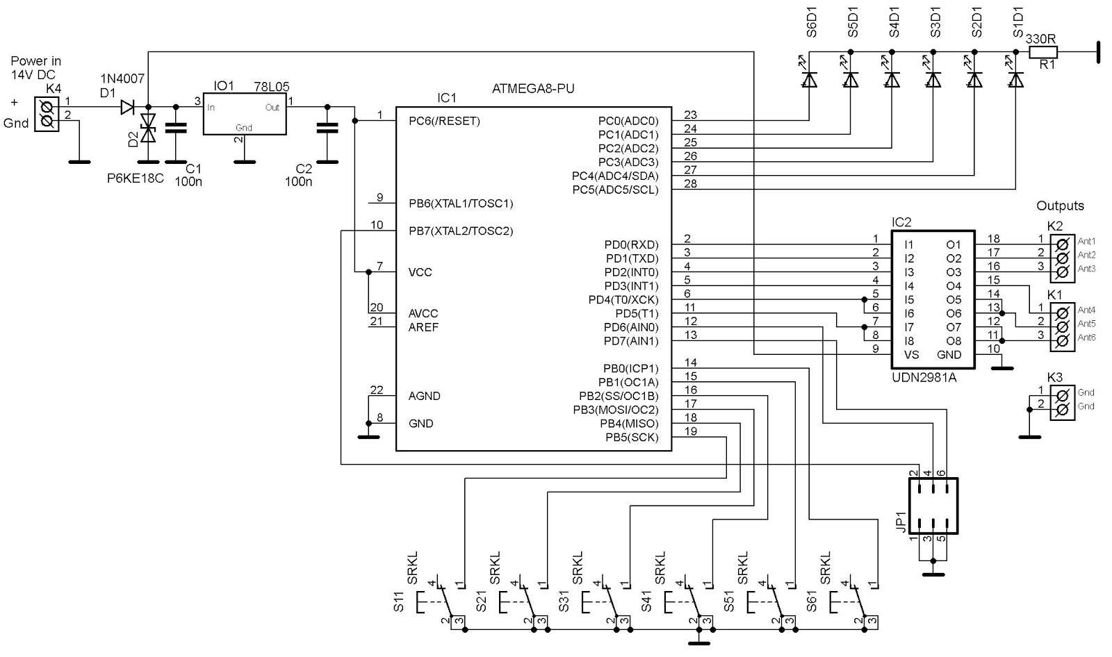
Srdcem celého ovladače je mikrokontrolér Atmel Atmega8. Pro jeho taktování se využívá vnitřní oscilátor. Pro účely této aplikace je to dostatečné. Stabilizaci napájecího napětí zajišťuje monolitický stabilizátor 78L05, diody D1 a D2 slouží jako ochrana před přepětím a přepólováním. Jako výstupní budič je použit můj oblíbený "high side driver" UDN2981, který umožňuje ovládat relé s napájecím napětím až 50V. Jumpery JP1 (binární kódování) slouží k přednastavení aktivního výstupu po zapnutí napájení. Pokud žádný z jumperů není zkratován, není po zapnutí aktivován žádný výstup.
Vlastní realizace pak vypadá takto:
Plošný spoj má rozměry 50x100 mm.
Funkce ovladače je následující. Po zapnutí se provede cyklický test všech indikačních LED. Poté se načte hodnota z jumperu JP1 a pokud je různá od nuly aktivuje se příslušný výstup. Poté program čeká na stisk libovolného tlačítka. Po stisku je aktivován příslušný výstup ANT1-ANT6 a rozsvítí se příslušná LED ve stisknutém tlačítku.
V současné době existují dvě varianty obslužného firmware a to pro ovládání přepínače 1:6 a kombinace přepínače 1:6 a 1:2. Pokud by bylo potřeba ovládat přepínač 1:4 stačí neosadit dvě tlačítka.
Jak to pracuje se můžete podívat na následujícím videu.
V případě zájmu o tento ovladač mě kontaktujte emailem. Mám k dispozici jak plošné spoje, nebo můžu dodat osazenou a oživenou desku.
| Realizace ovladače přepínače od N1PGA | 
Realizace OK2ZC



j aimerai bien avoir un kit ou un CI
OdpovědětVymazatmerci
bonjour
OdpovědětVymazatje suis interesser par les 2 carte de controle
merci de me dire comment me les procurer
73 Michel F5LPL
Good morning, is the controller still available? I have already ordered a 4:1 antenna switch on eBay, but this controller is not on eBay. Greetings7351
OdpovědětVymazatYes, contact me at private email. See QRZ.COM. Karel OK2ZI
Vymazat